⇯
Top
£0.00
HOME
SPARE PARTS
ACCESSORIES
MENU
MENU
HOME
SPARE PARTS
ACCESSORIES
info@gardenspareparts.co.uk
0151 207 1400
Electric Avenue - Liverpool, L11 0EL
My Account
0
£0.00
0151 207 1400
HOME
SPARE PARTS
ACCESSORIES
MENU
HOME
SPARE PARTS
ACCESSORIES
PLEASE ENTER
YOUR
MODEL NUMBER HERE:
Don't know your model number?
Let us give you a helping hand
Free Delivery Over £60
Over 200,000 Parts Stocked
Over 40 Years Experience
Help & Advice
Back To Search
Stihl MT 6127.1 ZL Ride-On Mower Spare Parts
Product Code: SPARE_MT6127.1ZL
×
Pinch to Zoom Image
Choose Sub-Assembly
A - Frame
B - Dashboard
C - Cover
D - Engine hood
E - Steering, front wheel
F - Seat
G - Back panel
H - engine, tank
I - Gearbox, rear wheel, blade clutch
J - Brake, parking brake, control levek, cruise control
K - Height adjustment
L - Mowing deck housing
M - Blade drive
N - Blade
O - Grass catcher bag
P - Electrical Equipment
Q - Wiring Harness
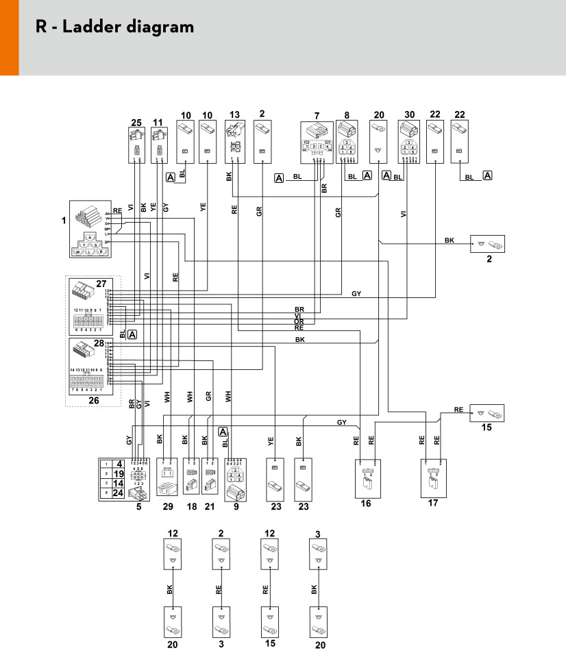
R - Ladder Diagram
S - Tools
T - Special Tool
U - Lubricants
View All Spares
Jump To Part
Name of Part & Product Reference
Price Ex VAT
Price Inc VAT
Quantity
© Power Tool Centre Ltd trading as Garden Spare Parts 2026
Powered By
TABS For Tools