⇯
Top
£0.00
HOME
SPARE PARTS
ACCESSORIES
MENU
MENU
HOME
SPARE PARTS
ACCESSORIES
info@gardenspareparts.co.uk
0151 207 1400
Electric Avenue - Liverpool, L11 0EL
My Account
0
£0.00
0151 207 1400
HOME
SPARE PARTS
ACCESSORIES
MENU
HOME
SPARE PARTS
ACCESSORIES
PLEASE ENTER
YOUR
MODEL NUMBER HERE:
Don't know your model number?
Let us give you a helping hand
Free Delivery Over £60
Over 200,000 Parts Stocked
Over 40 Years Experience
Help & Advice
Back To Search
Stihl RT 5097.0 C Ride On Mower RT Spare Parts
Product Code: SPARE_RT5097.0C
×
Pinch to Zoom Image
Choose Sub-Assembly
Back Pannel
Blade Drive
Brake, Parking Brake, Control Lever
Cover
Dashboard
Electric Equipment
Engine Hood
Engine, Tank
Frame
Gearbox, Rear Wheel, Blade Clutch
Grass Catcher Bag
Height Adjustment
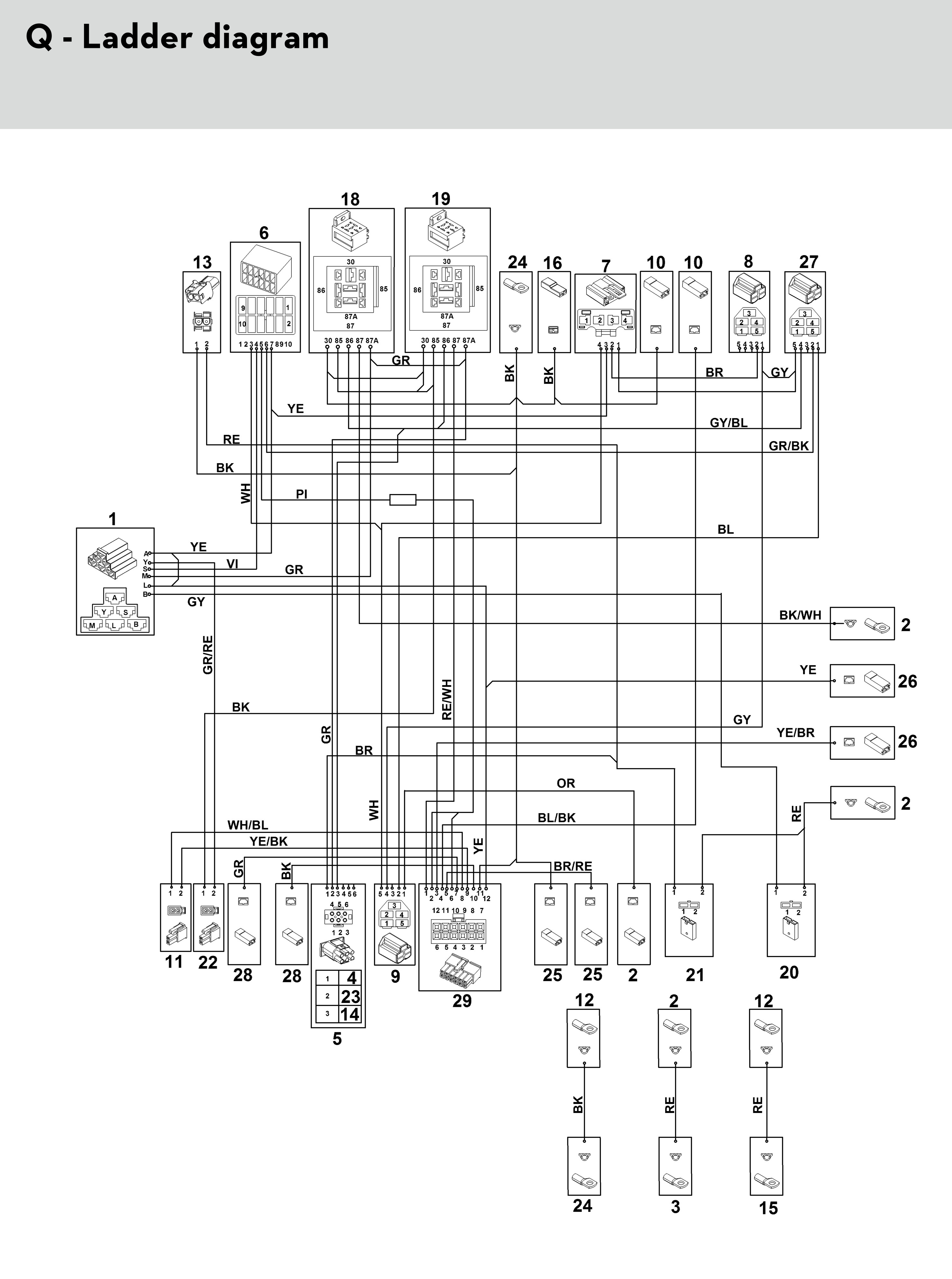
Ladder Diagram
Mowing Deck Housing
Seat
Special Tool
Steering, Front Wheel
Tools
Wiring Harness
View All Spares
Jump To Part
Name of Part & Product Reference
Price Ex VAT
Price Inc VAT
Quantity
© Power Tool Centre Ltd trading as Garden Spare Parts 2026
Powered By
TABS For Tools