⇯
Top
£0.00
HOME
SPARE PARTS
ACCESSORIES
MENU
MENU
HOME
SPARE PARTS
ACCESSORIES
info@gardenspareparts.co.uk
0151 207 1400
Electric Avenue - Liverpool, L11 0EL
My Account
0
£0.00
0151 207 1400
HOME
SPARE PARTS
ACCESSORIES
MENU
HOME
SPARE PARTS
ACCESSORIES
PLEASE ENTER
YOUR
MODEL NUMBER HERE:
Don't know your model number?
Let us give you a helping hand
Free Delivery Over £60
Over 200,000 Parts Stocked
Over 40 Years Experience
Help & Advice
Back To Search
Stihl RT 5097.0 Z Ride On Mower RT Spare Parts
Product Code: SPARE_RT5097.0Z
×
Pinch to Zoom Image
Choose Sub-Assembly
O Electric Equipment
Q Ladder Diagram
Steering, Front Wheel
A Frame
B Dashboard
Blade Drive
Brake, Parking Brake, Control Lever
C Cover
D Engine Hood
Engine, Tank
F Seat
G Back Panel
Gearbox, Rear Wheel, Blade Clutch
Grass Catcher Bag
Height Adjustment
Mowing Deck Housing
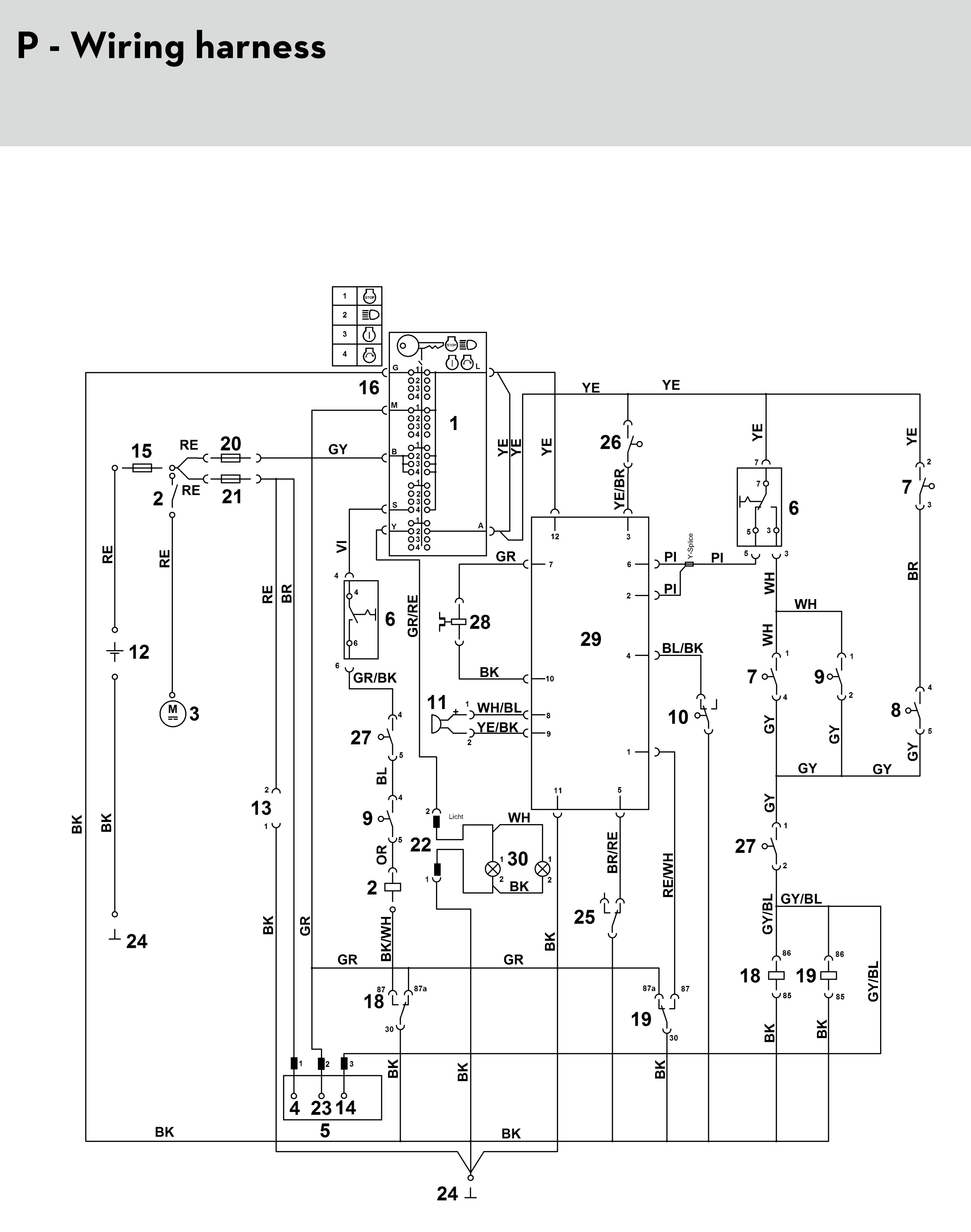
P Wiring Harness
R Tools
S Special Tool
View All Spares
Jump To Part
Name of Part & Product Reference
Price Ex VAT
Price Inc VAT
Quantity
© Power Tool Centre Ltd trading as Garden Spare Parts 2025
Powered By
TABS For Tools