⇯
Top
£0.00
HOME
SPARE PARTS
ACCESSORIES
MENU
MENU
HOME
SPARE PARTS
ACCESSORIES
info@gardenspareparts.co.uk
0151 207 1400
Electric Avenue - Liverpool, L11 0EL
My Account
0
£0.00
0151 207 1400
HOME
SPARE PARTS
ACCESSORIES
MENU
HOME
SPARE PARTS
ACCESSORIES
PLEASE ENTER
YOUR
MODEL NUMBER HERE:
Don't know your model number?
Let us give you a helping hand
Free Delivery Over £60
Over 200,000 Parts Stocked
Over 40 Years Experience
Help & Advice
Back To Search
Stihl RT 5112.0 Z Ride On Mower RT Spare Parts
Product Code: SPARE_RT5112.0Z
×
Pinch to Zoom Image
Choose Sub-Assembly
A Frame
B Dashboard
C Cover
D Engine Hood
E Steering, Front Wheel
F Seat
G Back Panel
Gearbox, Rear Wheel, Blade Clutch
H Engine, Tank
J Brake, Parking Branke, Control Lever
K Hieght Adjustment
L Mowing Deck Housing
M Blade Drive
N Blade
O Grass Catcher Bag
P Electric Equipment
Q Wiring Harness
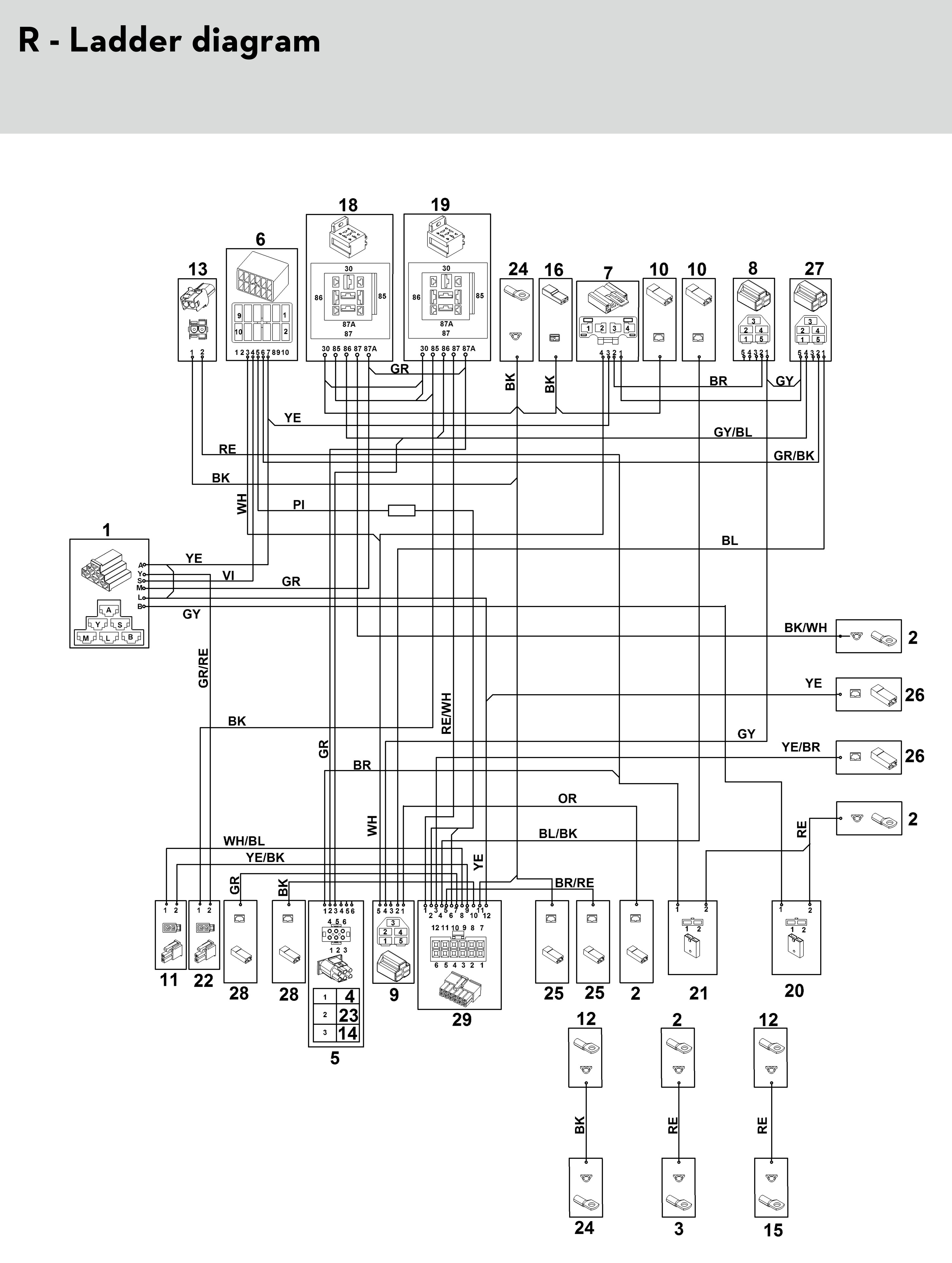
R Ladder Diagram
T Special Tool
View All Spares
Jump To Part
Name of Part & Product Reference
Price Ex VAT
Price Inc VAT
Quantity
© Power Tool Centre Ltd trading as Garden Spare Parts 2026
Powered By
TABS For Tools